Légende
|
1 |
Ballon tampon |
10 |
Soupape de surêté |
19 |
Clapet anti retour |
|---|---|---|---|---|---|
|
2 |
Ballon tampon combiné |
11 |
Soupape de surêté sanitaire |
20 |
Onduleur |
|
3 |
Résistance électrique |
12 |
Purgeur automatique |
21 |
Onduleur de puissance |
|
4 |
Laddomat 22 |
13 |
Manomètre |
22 |
Thermomètre de fumées |
|
5 |
Vanne troies voies |
14 |
Vanne |
23 |
Conduit de fumée avec trappe |
|
6 |
Vanne trois voies thermostatique ECS |
15 |
Filtre |
24 |
Conduit de fumée émaillé |
|
7 |
Soupape de sécurité thermique |
16 |
Thermostat |
25 |
Thermomètre |
|
8 |
Vanne trois voies |
17 |
Vanne de zone |
|
|
|
9 |
Circulateur |
18 |
Clapet |
|
|
Installation des chaudières bûches Atmos
| 1. Raccordement de la chaudière Atmos avec Laddomat 22, un circuit de chauffage, un ballon ECS, un vase d'expansion fermé - régulation simple avec trois thermostats | |
"}![]() |
2. Raccordement de la chaudière Atmos avec Laddomat 22, un circuit de chauffage, un ballon ECS, un vase d'expansion fermé- régulation simple avec deux thermostats |
"}![]() |
3. Raccordement de la chaudière Atmos avec vanne trois voies thermostatique, un circuit de chauffage, un ballon ECS, un vase d'expansion fermé- régulation simple avec trois thermostats |
"}![]() |
4. Raccordement de la chaudière Atmos avec vanne trois voies thermostatique, un circuit de chauffage, un ballon ECS, un vase d'expansion fermé- régulation simple avec deux thermostats |
"}![]() |
5. Raccordement de la chaudière Atmos avec vanne trois voies thermostatique, un circuit de chauffage, un ballon ECS, un vase d'expansion ouvert - régulation climatique |
"}![]() |
6. Raccordement de la chaudière Atmos avec Laddomat 22, un circuit de chauffage, un ballon ECS, un vase d'expansion ouvert - régulation climatique |
"}![]() |
7. Raccordement de la chaudière Atmos avec vanne trois voies en relevage, un circuit de chauffage, un ballon ECS, un vase d'expansion ouvert - régulation climatique avec gestion température de retour |
"}![]() |
8. Raccordement de la chaudière Atmos avec Laddomat 22, un circuit de chauffage, un ballon ECS, un vase d'expansion ouvert - régulation simple avec un thermostat |
"}![]() |
9. Raccordement de la chaudière Atmos avec Laddomat 22, deux circuits de chauffage, ballon tampon combiné solaire, un vase d'expansion fermé - régulation climatique et régulation solaire |
"}![]() |
10. Raccordement de la chaudière Atmos avec vanne trois voies thermostatique , deux circuits de chauffage, ballon tampon combiné solaire, un vase d'expansion fermé - régulation climatique et régulation solaire |
"}![]() |
11. Raccordement de la chaudière Atmos avec vanne trois voies en relevage , deux circuits de chauffage, ballon tampon combiné solaire, un vase d'expansion fermé - régulation climatique et régulation solaire |
"}![]() |
13. Raccordement de la chaudière Atmos avec Laddomat 22, un circuit de chauffage, un ballon ECS, un ballon tampon, un vase d'expansion fermé - une régulation simple avec deux thermostats |
"}![]() |
14. Raccordement de la chaudière Atmos avec vanne trois voies thermostatique, un circuit de chauffage, un ballon ECS, un ballon tampon, un vase d'expansion fermé - une régulation simple avec deux thermostats |
"}![]() |
15. Raccordement de la chaudière Atmos avec vanne trois voies, un circuit de chauffage, un ballon ECS, un ballon tampon, un vase d'expansion fermé - une régulation climatique pilotant aussi le relevage c |
"}![]() |
16.Raccordement de la chaudière Atmos avec Laddomat 22, un circuit de chauffage, deux ballons tampon dont un combiné ECS, un vase d'expansion fermé - une régulation climatique |
"}![]() |
17. Raccordement de la chaudière Atmos avec vanne trois voies, un circuit de chauffage, deux ballons tampon dont un combiné ECS, un vase d'expansion fermé - une régulation climatique |
"}![]() |
18. Raccordement de la chaudière Atmos avec Laddomat 22, un circuit de chauffage, un ballon ECS, deux ballons tampon, un vase d'expansion ouvert - une régulation climatique |
"}![]() |
19. Raccordement de la chaudière Atmos avec Laddomat 22, deux circuits de chauffage, trois ballons tampon dont un combiné, un vase d'expansion fermé - une régulation simple avec un thermostat |
"}![]() |
20. Raccordement de la chaudière Atmos avec Laddomat 22, deux circuits de chauffage, trois ballons tampon dont un combiné, un vase d'expansion fermé - une régulation climatique |
"}![]() |
21. Couplage de deux chaudières. Chaudière Atmos avec Laddomat 22, un circuit de chauffage, un ballon ECS, deux vases d'expansion fermés, une chaudière avec circulateur intégré, une régulation climatique. Commutation automatique par vanne de zone. |
"}![]() |
22. Couplage de deux chaudières. Chaudière Atmos avec Laddomat 22, un circuit de chauffage, un ballon ECS, deux vases d'expansion fermés, une chaudière avec circulateur intégré, une régulation simple. Commutation manuelle par vanne de zone. |
"}![]() |
23. Couplage de deux chaudières avec protection contre les retours froids. Chaudière Atmos avec Laddomat 22, un circuit de chauffage, un ballon ECS, deux vases d'expansion fermés, une chaudière sans circulateur, une régulation climatique. Commutation automatique par vanne de zone. |
"}![]() |
24. Couplage de deux chaudières avec protection contre les retours froids. Chaudière Atmos avec Laddomat 22, un circuit de chauffage, un ballon ECS, deux vases d'expansion fermés, une chaudière une chaudière sans circulateur, une régulation simple. Commutation manuelle par vanne de zone. |
"}![]() |
25. Couplage de deux chaudières avec protection contre les retours froids. Chaudière Atmos avec Laddomat 22, un circuit de chauffage, un ballon ECS, deux vases d'expansion fermés, une chaudière sans circulateur, une régulation climatique. Commutation automatique par vanne de zone. |
"}![]() |
26. Couplage de deux chaudières bois avec Laddomat 22 pour protéger le retour des deux chaudières, un circuit de chauffage, un ballon ECS, deux vases d'expansion fermés - régulation climatique pour le système de chauffage et la commutation automatique des chaudières avec vanne de zone |
"}![]() |
27. Couplage de deux chaudières bois avec vanne trois voies thermostatique pour protéger le retour des deux chaudières, un circuit de chauffage, un ballon ECS, un ballon tampon, deux vases d'expansion fermés - régulation simple pour le système de chauffage et la commutation automatique des chaudières avec vanne de zone |
"}![]() |
28. Couplage de deux chaudières bois avec vanne trois voies thermostatique pour protéger le retour des deux chaudières, un circuit de chauffage, un ballon ECS, un ballon tampon de 1000 litres minimum pour, deux vases d'expansion fermés - régulation simple pour le système de chauffage, possibilité de faire fonctionner les deux chaudières ensemble. |
"}![]() |
29. Couplage de deux chaudières bois avec deux Laddomat 22 pour protéger le retour des deux chaudières, un circuit de chauffage, un ballon ECS, tampon, deux vases d'expansion fermés - régulation simple pour le système de chauffage. |
"}![]() |
30. Couplage de deux chaudières avec protection contre les retours froids. Chaudière Atmos avec Laddomat 22, un circuit de chauffage, un ballon ECS, deux vases d'expansion fermés, une chaudière sans circulateur, une régulation climatique. Commutation automatique par vanne de zone. |
"}![]() |
31. Couplage de deux chaudières avec protection contre les retours froids. Chaudière Atmos avec Laddomat 22, un circuit de chauffage, un ballon ECS, deux vases d'expansion fermés, une chaudière sans circulateur, une régulation simple. Commutation par thermostat et par vanne de zone. |
"}![]() |
32. Couplage de deux chaudières avec protection contre les retours froids. Chaudière Atmos avec Laddomat 22, un circuit de chauffage, un ballon ECS, deux vases d'expansion fermés, une chaudière sans circulateur, une régulation simple. Commutation par thermostat et par vanne de zone. |
"}![]() |
33.Couplage de deux chaudières avec protection contre les retours froids. Chaudière Atmos avec Laddomat 22, un circuit de chauffage, un ballon ECS, un ballon tampon,deux vases d'expansion fermés, une chaudière sans circulateur, une régulation simple. Commutation par thermostat et par vanne de zone. |
"}![]() |
34. Couplage de deux chaudières avec protection contre les retours froids. Chaudière Atmos avec Laddomat 22, un circuit de chauffage, un ballon ECS, deux vases d'expansion fermés, une chaudière sans circulateur, une régulation simple. Commutation par thermostat et par vanne de zone. |
"}![]() |
35. Couplage de trois chaudières Atmos avec Laddomat 22 pour la protection contre les retours froids. Deux circuits de chauffage, un ballon ECS, un ballon tampon, trois vases d'expansion fermés, une régulation simple,. Possibilité de faire tourner les chaudières ensemble ou séparemment. |
"}![]() |
36. Couplage de trois chaudières Atmos avec Laddomat 22 pour la protection contre les retours froids. Deux circuits de chauffage, un ballon ECS, trois vases d'expansions fermés, une régulation simple,. Possibilité de faire tourner les chaudières ensemble ou séparément. |
"}![]() |
37. Couplage de trois chaudières Atmos avec vanne trois régulées pour la protection contre les retours froids. Deux circuits de chauffage, un ballon ECS, trois vases d'expansions fermés, une régulation simple,. Possibilité de faire tourner les chaudières ensemble ou séparément. |
"}![]() |
38. Couplage de trois chaudières Atmos avec vanne trois thermostatique pour la protection contre les retours froids. Deux circuits de chauffage, un ballon ECS, trois vases d'expansions fermés, une régulation climatique. Possibilité de faire tourner les chaudières ensemble ou séparément. |
"}![]() |
39. Couplage de trois chaudières Atmos avec Laddomat 22 pour la protection contre les retours froids. Deux circuits de chauffage, un ballon ECS, trois vases d'expansions fermés, une régulation climatique. Possibilité de faire tourner les chaudières ensemble ou séparément. |
"}![]() |
40. Couplage de trois chaudières Atmos avec vanne trois voies régulées pour la protection contre les retours froids. Deux circuits de chauffage, un ballon ECS, trois vases d'expansions fermés, une régulation climatique. Possibilité de faire tourner les chaudières ensemble ou séparément. |
"}![]() |
41. Couplage de trois chaudières Atmos avec vanne trois voies thermostatique pour la protection contre les retours froids. Deux circuits de chauffage, un ballon ECS, trois vases d'expansions fermés, une régulation simple. Possibilité de faire tourner les chaudières ensemble ou séparément. |
Installation des chaudières automatiques Atmos
| 1. Possible, mais pas recommandé, installation d'une chaudière à granulés Atmos avec Laddomat 22, sans réservoir tampon, un circuit de chauffage, un ballon d'ECS, vase d'expansion fermé - régulation simple avec thermostat. | |
"}![]() |
2. Installation d'une chaudière à granulés Atmos avec Laddomat 22 pour la protection des retours froids, ballon tampon 500-1000 litres contrôlé par deux sonde de température TV et TS, un circuit de chauffage, un ballon d'ECS, vase d'expansion fermé - régulation simple avec thermostat. |
"}![]() |
3. Installation d'une chaudière à granulés Atmos avec vanne trois voies thermostatique pour la protection des retours froids, ballon tampon combiné solaire 500-1000 litres contrôlé par trois sonde de température TV, TK (TS2) et TS, deux circuits de chauffage, vase d'expansion fermé - régulation simple avec thermostat et régulation solaire. |
"}![]() |
4. Installation d'une chaudière à granulés Atmos avec vanne trois voies thermostatique pour la protection des retours froids, ballon tampon combiné solaire 500-1000 litres contrôlé par trois sonde de température TV, TK (TS2) et TS, deux circuits de chauffage, vase d'expansion fermé - régulation simple avec thermostat. |
"}![]() |
5A. Installation d'une chaudière à granulés Atmos avec Laddomat 22 pour la protection des retours froids, ballon tampon solaire 500-1000 litres contrôlé par trois sonde de température TV, TK (TS2) et TS, un circuit de chauffage et un ballon ECS, vase d'expansion fermé - régulation simple avec thermostat et régulation solaire. |
"}![]() |
5B. Installation d'une chaudière à granulés Atmos avec Laddomat 22 pour la protection des retours froids, ballon tampon solaire 500-1000 litres contrôlé par trois sonde de température TV, TK (TS2) et TS, un circuit de chauffage et un ballon ECS, vase d'expansion fermé - régulation simple avec thermostat et brûleur A25 pour le solaire. |
"}![]() |
6. Installation d'une chaudière à granulés Atmos avec vanne trois voies pour la protection des retours froids, ballon tampon 500-1000 litres, un circuit de chauffage, un ballon d'ECS, vase d'expansion fermé - régulation climatique Atmos ACD01 pour le contrôle des retours froids et la régulation de la chaudière selon (VE3 a KSPF) |
"}![]() |
7. Installation d'une chaudière à granulés Atmos avec vanne trois voies pour la protection des retours froids, ballon tampon solaire combiné 500-1000 litres, deux circuits de chauffage, vase d'expansion fermé - régulation climatique Atmos ACD01 pour le contrôle des retours froids et la régulation de la chaudière selon (VE3 a KSPF) et du solaire. |
"}![]() |
8. Installation d'un chaudière combinée bois granulés de bois (DCxxSP(L)) avec Laddomat 22 (ou vanne trois voies thermostatique), un circuit de chauffage, un ballon tampon (500 - 1000 l) - gestion du brûleur en fonction des température (TV et TS), ballon d'ECS, vase d'expansion fermé - régulation simple avec thermostat |
"}![]() |
9. Installation d'un chaudière combinée bois granulés de bois (DCxxSP(L)) avec Laddomat 22 (ou vanne trois voies thermostatique), un circuit de chauffage, un ballon tampon (500 - 1000 l) - gestion du brûleur en fonction des température (TV et TS), ballon d'ECS, vase d'expansion fermé - régulation simple avec thermostat. Le brûleur démarre quand la charge de bois est terminée. |
"}![]() |
10.Installation d'un chaudière combinée bois granulés de bois (DCxxSP(L)) avec Laddomat 22 (ou vanne trois voies thermostatique), un circuit de chauffage, un ballon tampon (500 - 1000 l) - gestion du brûleur en fonction des température (VE3 et KSPF), ballon d'ECS, vase d'expansion fermé - régulation Atmos ACD01. Le brûleur démarre quand la charge de bois est terminée. |
"}![]() |
11. Installation d'un chaudière combinée bois granulés de bois (DCxxSP(L)) avec vanne trois voies, deux circuits de chauffage, un ballon tampon combiné solaire (500 - 1000 l) - gestion du brûleur en fonction des température (VE3 et KSPF), vase d'expansion fermé - régulation Atmos ACD01 pour le brûleur, les circuit de chauffage et le solaire. Le brûleur démarre quand la charge de bois est terminée. |
"}![]() |
12. Installation des chaudières DCxxS, CxxS, ACxxS, KCxxS, DCxxRS avec Laddomat 22, brûleur sur le porte, ballon tampon (500 - 1000 l) - gestion du brûleur sur les sondes (TV et TS), un circuit de chauffage, un ballon D'ECS, régulation simple par thermostat. |
"}![]() |
13. Installation des chaudières DCxxS, CxxS, ACxxS, KCxxS, DCxxRS avec Laddomat 22, brûleur sur le porte, ballon tampon combiné solaire (500 - 1000 l) - gestion du bruleur sur les sondes (TV et TS), deux circuits, régulation climatique par régulation Atmos ACD01. |
"}![]() |
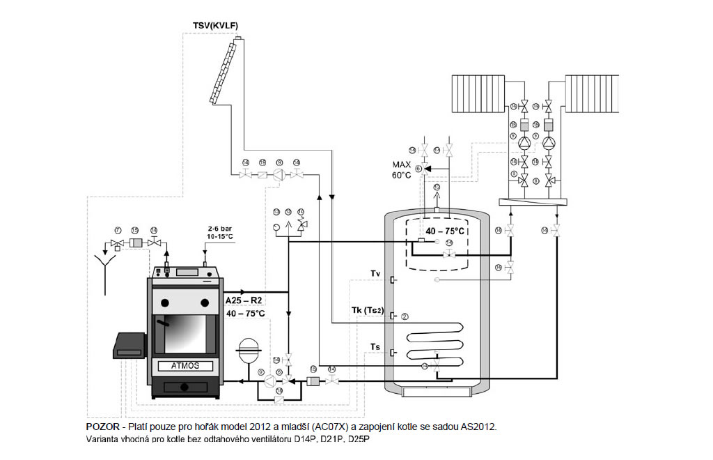
14. Installation d'une chaudière granulés avec Laddomat 22, un circuit de chauffage, un ballon tampon (500 - 1000 l) - gestion de la chuaudière en fonction des sondes (TS et TK (TS2)), ballon solaire double échangeur gérer par la régulation du brûleur A25 et du thermostat T (STB), vase d'expansion fermé. |






















































